IntegrierteStromversorgungslösungen
Vereinfachen und beschleunigen Sie die Stromversorgung von FPGAs von Xilinx dank benutzerfreundlicher, skalierbarer und konfigurierbarer Lösungen.
Die Referenzdesigns der Baureihen TIDA-050000 und TIDA-01480 vereinfachen und beschleunigen den Entwicklungsprozess für das kostenoptimierte Portfolio (Spartan-7, Artix-7, Zynq-7000) sowie die MPSoCs der Baureihe Zynq UltraScale+ ZU2CG-ZU3EG von Xilinx.
Die Designs sind auf die Stromversorgungsanforderungen der verschiedenen Bausteine von Xilinx skalierbar und lassen sich für individuelle Anwendungsfälle anpassen.
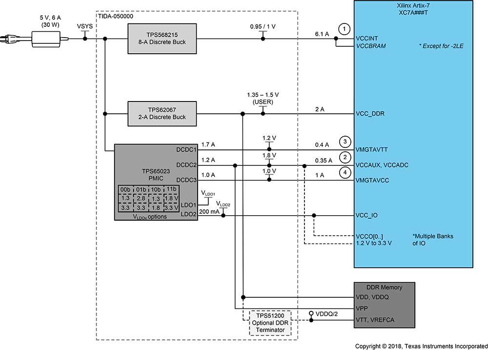
Referenzdesign für eine integrierte Stromversorgungslösung für FPGAs der Produktreihe Artix®-7 von Xilinx
Diese Ausführung des Referenzdesigns TIDA-050000 ist speziell auf FPGAs der Produktreihe Artix-7 ausgerichtet und verwendet ähnliche Bezeichnungen für Stromschienen von Xilinx. Diese Ausführung des Referenzdesigns für die Produktreihe Artix-7 ähnelt vor allem der Variante 001 des TIDA-01480 für Bausteine der Familie ZU+. Größe = 650 mm2

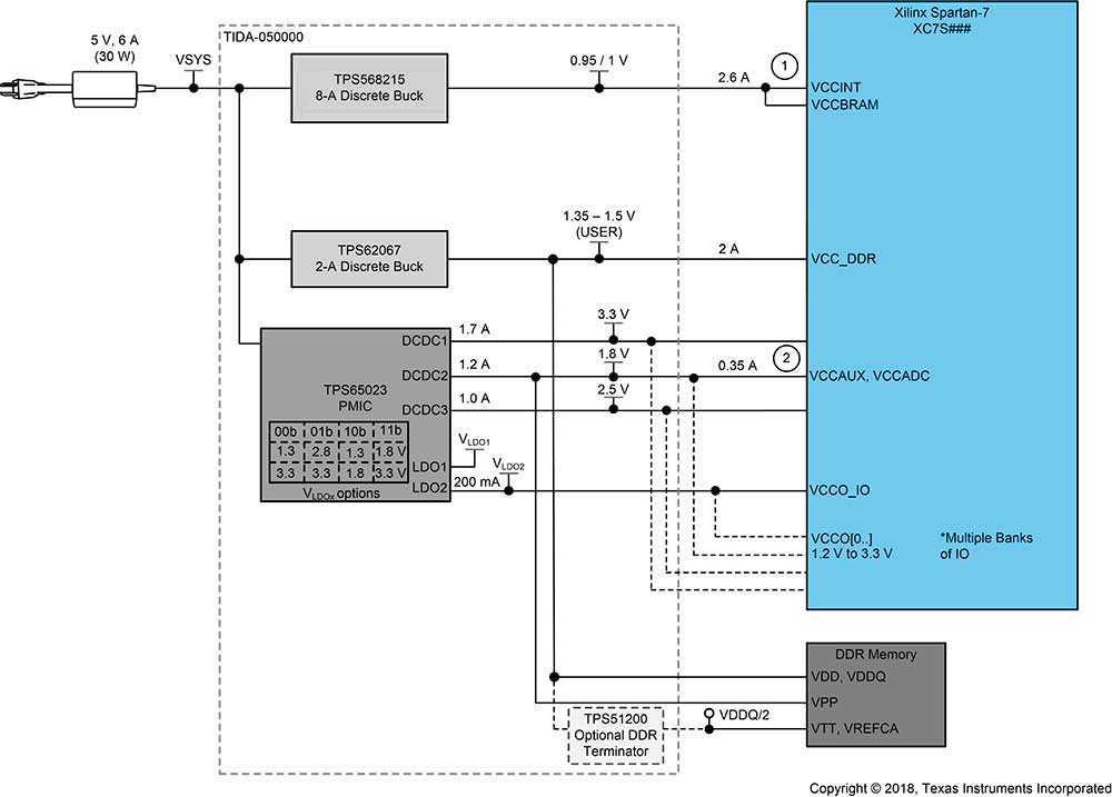
Referenzdesign für eine integrierte Stromversorgungslösung für FPGAs der Produktreihe Spartan®-7 von Xilinx
Diese Variante des Referenzdesigns TIDA-050000 verwendet die gleichen Bauelemente wie Variante 006, verfügt jedoch über zusätzliche Stromschienen zur Versorgung von I/Os von Spartan-7 Bausteinen und Peripherie. Die Baureihe TPS568215 unterstützt einen Laststrom von 8 A. Die Baureihe TPS54418 (4 A) kann im finalen Design ersetzt werden, wenn das FPGA geringere Stromwerte erfordert. Größe = 650 mm2
Klicken Sie auf die Bestellnummer am rechten Bildschirmrand, um die Produktreihe anzusehen.

` 



Referenzdesign für eine integrierte Stromversorgungslösung für FPGAs der Produktreihe Zynq®-7000 von Xilinx
Beim durch das Referenzdesign TIDA-050000 abgedeckten SoC der Produktreihe Zynq-7000 kann die höchste Leistungsoptimierung erreicht werden. Dementsprechend ist der 8-A-Wandler der Baureihe TPS568215 nicht in dieser Ausführung enthalten. Bei Anwendungen, deren Core-Spannung (VCCINT) bis zu 10 A erfordert, kann der TPS56C215 auf der Leiterplatte montiert werden. Größe = 466 mm2





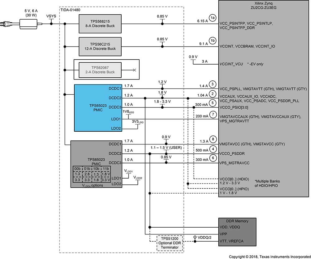
Referenzdesign für eine integrierte Stromversorgungslösung für die Produktreihe Zynq UltraScale+ von Xilinx
Für das Referenzdesign der Baureihe TIDA-01480 stehen fünf (5) verschiedene Aufbauvarianten zur Auswahl. Die Varianten dieses Referenzdesigns wurden zur Stromversorgung von Bausteinen der Familie Zynq UltraScale+ entwickelt und sind nach der gewünschten Optimierung des ZU+ Bausteins und danach, ob die Multi-Gigabit-Transceiver (MGTs) eingesetzt werden oder nicht, benannt. Variante 002 mit der Bezeichnung „Always-On Cost-Optimized (With MGTs)“ wird hier als Referenz gezeigt. Größe = 1.041 mm2, bei Variante 001 ohne Verwendung der MGTs des Xilinx-Bausteins nur 863 mm2.
Klicken Sie auf die Bestellnummer am rechten Bildschirmrand, um die Produktreihe anzusehen.










